数明半导体推出SiLM208x系列200V高压高速功率MOSFET和IGBT驱动芯片
在工业电力电子蓬勃发展的当下,设备性能与稳定性的要求愈发严格。三相电机驱动凭借其广泛且深入的应用,渗透至各类关键场景。在工业生产领域,它助力精密加工实现高精度运作,推动自动化流水线高效运转;于新能源领域,为光伏发电提供稳定动力支持,保障电动汽车充电过程安全可靠;在日常生活的暖通空调与电梯运行等场景中,同样发挥着不可或缺的作用。三相电机的高效稳定驱动,已然成为保障整个系统可靠运行的核心要素。
专为三相电机驱动打造的芯片
数明半导体全新推出的 SiLM2087、SiLM2088、SiLM2089 高压高速功率 MOSFET 和 IGBT 驱动芯片,是专为三相电机驱动应用量身定制的产品。该系列芯片依托专有的高压集成电路(HVIC)和抗闩锁互补金属氧化物半导体(CMOS)技术,实现了单片式加固设计。这种独特设计有效提升了芯片的稳定性和可靠性,使其兼具高耐压、高速度、高兼容性等显著优势,能够为工业电力电子应用提供稳定、高效的功率管驱动保障,全方位赋能多元应用场景。

图 1. SiLM2087典型应用框图
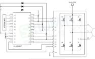
图 2. SiLM2088典型应用框图

图 3. SiLM2089典型应用框图
强大功能,满足多元需求
01高电压与宽电源范围
芯片具备强大的电压适应能力,支持最高 200V 母线电压,栅极驱动电源覆盖 5V ~ 20V 的宽范围。这一特性使其能够轻松应对各种复杂电压环境,为不同应用场景提供灵活适配的解决方案。
02高速输出与低延迟
在输出性能方面,SiLM2087/SiLM2088 输出脉冲电流高达 1.5A,SiLM2089 输出脉冲电流高达 1.8A,开关传播延迟典型值仅 150ns。快速的输出脉冲电流和低延迟特性确保了信号能够快速、准确地传输,大幅提升了系统的响应速度,使三相电机能够更及时、精准地执行控制指令。
03安全防护机制
该系列芯片配备了完善的安全防护机制,200ns 典型死区时间搭配交叉导通预防逻辑,从硬件层面有效规避桥臂直通风险。在高频应用场景中,避免因桥臂直通导致的设备损坏和安全事故,为系统提供可靠的安全保障。
04卓越接口兼容性
芯片支持 3.3V、5V、15V 多种逻辑电平,可直接匹配标准 CMOS/LSTTL 输出。同时,六路输入通道匹配的传播延迟确保了信号传输的一致性,可大幅简化电路设计与调试流程。设计人员无需为不同逻辑电平的接口进行复杂的转换设计,节省了开发时间与成本,提高了产品的开发效率。
特色型号,功能更出众
01SiLM2089的独特优势
SiLM2089 在基础功能之上,具备更多个性化设计。它支持低边 LINx 输入极性可选功能,极大提升了输入逻辑的灵活性,能够满足不同用户的个性化需求。此外,该芯片还具备可配置死区功能,通过外部电阻即可方便地配置高低边输出死区。这一功能可以有效优化系统效率,降低能耗,为用户带来更经济、高效的使用体验。
02封装与工作环境适应性
SiLM2089 提供 QFN24 封装,SiLM2087/88 提供 TSSOP20、QFN24 两种无铅封装选择,不同封装对应优化的功率耗散与热阻特性,能够适配不同散热要求的应用场景。无论是散热条件较好的大型设备,还是对散热要求苛刻的小型精密仪器,都能找到合适的封装形式。同时,芯片具备工业级宽温工作范围(-40℃ ~ 125℃),可确保在各类复杂工业环境中都能稳定运行,无惧恶劣条件挑战。
核心参数速览

本文 zblog模板 原创,转载保留链接!网址:https://www.wbaas.cn/fengrong/1527.html
1.本站遵循行业规范,任何转载的稿件都会明确标注作者和来源;2.本站的原创文章,请转载时务必注明文章作者和来源,不尊重原创的行为我们将追究责任;3.作者投稿可能会经我们编辑修改或补充。
